215,-
Beskrivning
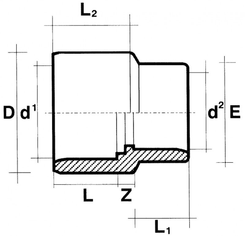
PVC Konisk Reduksjon | Ø25/20 x 12mm PN16
Innvendig lim dimensjon / utvendig lim dimensjon x innvendig lim dimensjon
Under finner du en komplett tabell over alle mål og dimensjoner. Dimensjonene som ikke er lagerført kan bestilles ved forespørsel.
Isometriske tegninger ligger i bildene med korresponderende mål i tabellen under.


Tillverkare
Effast er et globalt merkes-vare kjent for høy kvalitet og produkter som kan brukes innen industri. Rørdeler (koblinger og ventiler) produseres i Italien. Effast er registrert trademark og eies av Polypipe Italia.